电动机的保护配合及CPS在民用建筑中的应用

电动机的保护配合及CPS在民用建筑中的应用
悉地(北京)国际建筑设计顾问有限公司李炳华
(100013 北京)
摘要:本文叙述了电动机保护配合的原则,明确电动机主回路中各个保护电器按保护配合的要求承担各自的责任。同时简述了控制与保护开关电器CPS的特点和技术性能。重点说明了CPS在消防类电动机和电动机可逆控制中的应用,进一步拓展了CPS的应用范围。
关键词:电动机保护电器控制电器保护配合控制与保护开关电器消防负荷可逆控制
The protection of the motor and the application of CPS in thecivil building
Binghua.Lee CCDI Group
Abstract: The principle of motor protection coordination is described in thispaper. It’s clear that responsibility ofeach protection appliances is assumed in the main circuit of motor. At the sametime, the characteristics and technical performance of CPS is explained. It’s mainlyillustrated to apply CPS in the fire motor and reversible control.
Keywords: motor, protective device, control device, CPS, fire load, reversiblecontrol
笔者是CPS技术和应用的倡导者和推动者!
早在1992年,国际电工委员会颁布了IEC 60947-6-2:1992标准文件,规定了“控制与保护开关电器”相关要求,开创了电动机保护与控制的新纪元。CPS是英文Control and Protective Switching Device的缩写,对电动机保护而言是革命性的,它成功的解决了过去一直没有解决好的电动机保护配合问题。我国于1998年在IEC标准的基础上制定了我国第一部国家标准GB 14048.9-1998,从此CPS逐渐为行业内从业人员所认识、接受,并逐渐推广和应用。令人欣慰的是,我国自主研发的CPS达到了世界同类产品的先进水平,部分指标优于国外产品,生产厂家多达数十家,并培育出了常熟、中凯、远泰、泰永等骨干企业,产品特点鲜明,质量稳定、可靠,额定电流高达225A,可满足95kW及以下交流电动机直接启动的需求,带动我国CPS产业的发展。经过北京奥运场馆、上海世博会等重大工程的应用验证,国产的CPS性能稳定,可靠性高,是值得信赖的低压电器。
1 电动机保护配合的原则
电动机保护配合较多,归纳起来主要有如下三个原则:
第一,保护器件的配合
如图1a所示,传统的电动机主回路由多个元器件组成。短路保护由短路保护电器完成,通常采用断路器或熔断器;过载保护由过载保护电器实现,通常采用热继电器。无论是过载还是短路,都会产生较大的故障电流,在保护电器动作之前要求控制电器(通常采用接触器)有足够的能力承受这么大的故障电流。
因此,电动机的保护需要配合严密,不留死角,否则会造成设备或器件损坏。电动机保护的配合可以用图2直观的表示。图中1是热继电器曲线,用于过载保护;2是电磁脱扣器曲线,用于短路保护;3和4分别是热继电器耐热极限曲线和SCPD耐热极限;Ij为热继电器脱扣曲线与SCPD电磁脱扣曲线的交点,由热继电器厂家提供。理想的保护配合和分工如表1所示,这样短路保护电器和过载保护电器分工明确,各司其职。

表1 保护器件的保护分工
|
实际电流I/额定电流In |
保护器件动作情况 |
|
I/In≤1 |
保护元件不动作 |
|
1<I/In ≤0.75Ij |
热继电器动作 |
|
0.75Ij <I/In ≤1.25Ij |
热继电器、SCPD都可能动作,在此范围内热继电器的脱扣特性不能发生改变 |
|
1.25Ij <I/In |
SCPD动作 |
第二,电动机主回路中的控制电器也参与到保护配合中
控制电器(如图1中的接触器)的额定限制短路电流不应小于安装处的预期短路电流。额定限制短路电流是接触器、PC级的ATSE等产品中非常重要的技术参数,他们本身没有短路保护能力,需要断路器、熔断器等短路保护电器与之配合,国标GB 14048相关标准对额定限制短路电流有如下定义:在有关产品标准规定的试验条件下,用制造厂指定的短路保护电器进行保护的电器,在短路保护电器动作时间内能够良好地承受的预期短路电流值。通俗地说,当发生短路时,在短路保护电器切断故障回路之前,接触器等控制电器应能承受如此之大的故障电流,满足电动机保护配合要求。
第三,保护配合的类型
《民用建筑电气设计规范》JGJ16-2008第9.2.4条第4款第1项指出,电动机保护配合分为1类和2类配合,详细描述和特点见表2所示。显然,2类配合强调供电的可靠性和连续性,适用于重要负荷(如消防类负荷)。
表2 1类配合和2类配合
|
配合类别 |
定义 |
特点 |
|
1类配合 |
在短路情况下接触器、热继电器的损坏是可以接受的: 1、不危及操作人员的安全 2、除接触器、热继电器以外,其它器件不能损坏 |
允许供电中断,直到维修或更换接触器和热继电器后才可恢复供电 对供电连续性不高 维护保养时间长 |
|
2类配合 |
短路时,接触器、启动器触点可容许熔化,且能够继续使用。同时,不能危及操作人员的安全和不能损坏其它器件 |
供电连续性十分重要,而且触点必须被容易的分开 维护、保养时间短 |
在CPS问世之前,采用分立元件很难完整地、准确地实现上述电动机保护配合,出现的问题相对较多。而CPS则很好的将这些保护配合固化在器件中,保护配合比较严密,是一项值得推广的新技术。
2 CPS的特点
如前所述,传统的电动机主回路有隔离电器、短路保护电器SCPD、控制电器、过载保护电器及附属电器等组成,与传统的分立元件相比,CPS(如图1b所示)的优势非常显著,主要特点如下:
2.1 CPS保护配合严密
CPS保护配合分工明确,不留死角,配合严密,完全符合上文所述电动机保护配合的要求,满足《民用建筑电气设计规范》JGJ 16-2008相关条款的规定。
2.2 主回路简洁
图1b所示,CPS构成的电动机全压启动电路非常简单,一个器件构成一个回路。CPS集成了电动机的保护电器、控制电器、隔离电器等功能。
2.3 保护齐全
CPS具有多种保护功能,例如相间短路保护、接地故障保护、过载保护、断相保护等,同时其体积比分立元件的要小很多,控制箱体积可以大大减小,节省空间。
2.4 控制多样
CPS可以进行电动机全压启动、星三角降压启动、单向控制、可逆控制、双电源(ATSE)控制等多种控制,控制非常灵活。
当然,目前CPS尚不能做到电动机控制与保护的全覆盖,最大额定电流只有225A,只能应用于中小容量的电动机。
3 CPS在民用建筑中的应用
3.1 应用依据
《民用建筑电气设计规范》JGJ 16-2008第9.2.6条第1款第1)项规定,控制与保护开关电器(CPS)宜用于频繁操作及不频繁操作的电动机回路。规范条文有如下含义:
a)规范里所述的电动机回路是指电动机主回路,CPS可以代替隔离电器、短路保护电器、控制电器、过载保护电器等,简化了电动机主回路,可靠性得以提高;
b)规范没有对CPS的应用场所、负荷类型等方面做进一步的要求,也就是说,规范没有限制CPS在各种类型的民用建筑、各类负荷中的应用;
c)没有限定电动机操作的频次。民用建筑中新风机组、空调机组、送风机等属于频繁操作的电动机,而排烟风机、消火栓泵等属于不频繁操作的电动机。
3.2 应用场所及举例
常用的风机、水泵控制详见国标图集《常用电机控制电路图》10D303-2~3相关章节,本文重点介绍该标准图中没有涉及到的应用,供读者参考。
3.2.1 CPS在排烟风机和正压送风机中的应用
由于消防负荷的特殊性和重要性,加之CPS是新技术、新产品,根据专家审查的意见,10D303-2~3暂没在消防类的设备中使用CPS,待经过实践验证后再进行补充。
图3是排烟风机和正压送风机控制图,其主回路参见图1b,为CPS方案,适合于交流380V单台消防排烟风机或正压送风机的现场控制或两地控制,过载保护只报警,风口(或风阀)上的微动开关直接与风机联动,消防联动模块提供无源动合触点,当消防系统提供有源触点时,取消变压器T。只有现场控制时,取消SS1'、SF1'、S、HG'并将X1:5与X1:6短接,X1:6与X1:7断开,X1:7与X1:8短接,X1:10与X1:11断开。图中CPS包含线圈、过载保护触点,动合触点、动断触点。用于正压送风机控制时,将X1:8与X1:9短接。
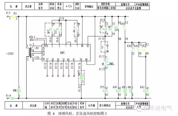
图4是排烟风机和正压送风机另一个控制方案,适合于交流380V单台消防排烟风机或正压送风机的现场控制或两地控制,控制电源为交流220V,过载只报警不作用于断电,风口(或风阀)上的微动开关直接与风机联动,消防联动模块提供无源动合触点,当消防系统提供有源触点时,取消变压器T。只有控制箱上控制时,取消SS1'、SF1'、S、HG1'。图中CPS包含线圈、过载保护触点、动合触点、动断触点。控制器EMC是风机专用控制模块,其面板上有风机的启停控制及相关信号,详见《常用电机控制电路图》10D303-2相关页码。当本图用于正压送风机控制时,将X1:11与X1:12短接。
3.2.2 CPS在电动机可逆控制中的应用
图5和图6分别为CPS组成的电动机可逆控制的主回路和二次原理图,CPS1、CPS2分别控制电动机正转和反转的线圈,集成在CPS内,类似分立元件构成电动机主回路中的接触器,CPS本身具有机械联锁功能,正反转的动断触点分别串联在对方的线圈回路,形成电气联锁。本方案还具有BA自动控制功能。
3 总结
综上所述,CPS在电动机保护与控制方面的应用可以小结如下:
1)CPS固化了电动机保护配合,可靠性、实用性、灵活性大大提高,电动机的保护与控制水平比分立元件有大幅度提升。
2)CPS在消防类电动机保护与控制方面有成熟的控制方案,经多年的工程实践验证,控制方案、产品质量均能满足消防类电动机的控制与保护的需要。
3)电动机可逆控制技术成熟,工程实际验证效果良好,可以满足工程需要。
4)CPS有其局限性,现在只有中小容量的产品,尚无法取代分立元件。
【参考文献】
1 《常用电机控制电路图》10D303-2~3
2 《民用建筑电气设计规范》 JGJ16-2008

苏公网安备 32100302010701号